减速电机 / 减速机
下载
联系我们 / 支持
高刚性精密减速机
高精度齿轮
公司简介
公司概览
管理信息
企业活动
Search
※如果产品名称以“X”结尾,则为特殊订单规格。请搜索不带“X”的产品名称。
【FAQ】机型名称末尾的“X”有什么含义?
CN
Menu
联系我们
选型工具
選擇工具【繁体字】
产品分类
内容类别
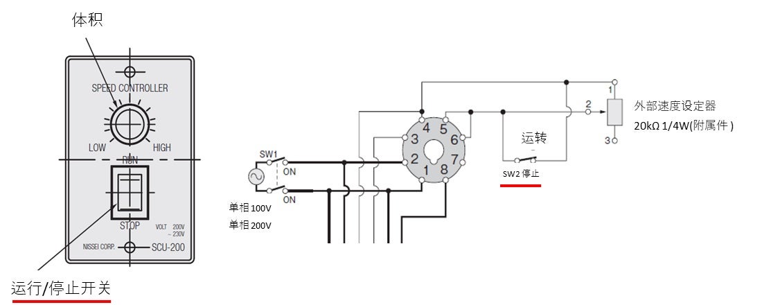
请您不要通过控制器电源侧开关来进行“运转、停止”。
本公司的速度控制型减速电机用控制器是
以通过控制器侧开关“运转、停止”为前提的产品。
U型控制器请通过“运转、停止开关”、P型控制器请通过“SW2”进行
“运转、停止”。(参照上图)
如在控制器的电源侧切断电源,
可能会损坏控制器。请注意。